Кодер - декодер речевого сигнала. Амплитудно - фазовое преобразование.
Введение
Эффекты возникновения амплитуднозависимых фазовых сдвигов в различных, работающих в нелинейных режимах, узлах приемно - усилительных трактов называется амплитудно - фазовая конверсия (АФК). В большинстве устройств должны быть применены специальные меры для устранения или ослабления АФК до значений, при которых показатели разрабатываемого устройства ухудшаются незначительно. Выходом из данного положения является создание цепи, аргументы комплексной функции, передачи которой остается постоянным в широком интервале изменений воздействующих на цепь факторов. Решить данную Проблему можно с помощью устройства, которое фазо - инвариантно к изменениям амплитуды сигнала в ограниченном интервале этих изменений и в конкретных условиях эксплуатации. Иногда явление АФК является полезным и позволяет обеспечить требуемые показатели радиоэлектронной аппаратуры. В таких устройствах эффекты АФК принудительно необходимы, например, в модуляторах фазы, в системах с предыскажением фазы и др. В данной работе применяется метод АФК для сокрытия речевой информации телефонного канала.
Метод анализа устройств с АФК
В радиотехнической теории известны различные методы исследования. Наилучшим методом, позволяющим описать устройство любого типа и оценить закономерности прохождения сигналов через него, является метод, основанный на решении нелинейных интегрально - дифференциальных уравнений, описывающих физику работы устройства. Решение уравнений рассматриваемого устройства в широком интервале переменных, представляется затруднительным. Решения делаются для частных случаев и этот метод не универсален . Существует ещё один метод, который является более общим методом замены устройства эквивалентным четырехполюсником с некоторыми характеристиками, свойственными рассматриваемому устройству. Данному четырехполюснику соответствует определенная передаточная функция. Передаточную функцию можно определить аналитически или экпериментально. При аналитическом исследовании цепей с АФК следует использовать четырехполюсник, который отражает лишь основные черты поведения устройства и не учитывает ряд побочных явлений. (Л4) При воздействии квазигармонического колебания (1) на вход реального (нелинейного) четырехполюсника на его выходе появляется ряд спектральных составляющих. Отличительной способностью цепей с АФК является изменение фазы составляющих в зависимости от амплитуды входного воздействия.
X(t), j (t) - изменяются по закону передаваемой информации Выходной сигнал представляется:
где Yn(t)- медленно изменяющиеся амплитуда n-й гармоники, y n(t) - фаза гармоники Явление АФК сводится к тому, что y n(t) отличается от входной функции j (t) не только на детерминированный угол j 0, характеризующий фазовую постоянную устройства, но и на угол j [X(t)], зависящий от уровня входного сигнала:
Амплитуды выходного и входного сигналов связаны нелинейной зависимостью: Yn(t)=Yn[X(t)] (4) отражающей амплитудную нелинейнейность Выражение (2) можно записать: y(t)=Y[X(t)]expinw0t (5) где Yn[X(t)]=Yn[X(t)]expi j [X(t)] - комплексная амплитуда выходного сигнала, характеризующая комплексную нелинейность тех устройств, в которых амплитудная нелинейность и АФК проявляются в главной мере при одних и тех же уровнях входного колебания X(t). Устройства, в которых АФК пренебрежимо мала, полностью характеризуется функцией Yn[X(t)], а устройства с АФК - функцией j [X(t)] (Л4).
Выбор четырехполюсника с АФК
Выберем в качестве четырехполюсников: -для кодера компрессор речевых сигналов; -для декодера экспандер речевого сообщения; Компрессор речевых сигналов действует по принципу усилителя с нелинейной отрицательной обратной связью (ООС). Отсюда следует, что нелинейные элементы, сопротивление которых изменяется в соответствии с уровнем усиливаемого сигнала, входят в цепь ООС, охватывающей как отдельные каскады, так и усилитель в целом. Для выполнения закона изменения коэффициента усиления, необходимо определенным образом выбрать способ включения нелинейных элементов и режимы их работы. Рассмотрим причины АФК в усилителях с нелинейной обратной связью. На основании известных соотношений:
определяющих комплексный коэффициент усиления усилителя с обратной связью. На рис.1 построена векторная диаграмма для случая гармонического сигнала, позволяющая судить о закономерностях изменениях показаний усилителя в зависимости от глубины ООС.
На рис.1 векторная диаграмма, определяющая коэффициент усиления усилителя с ООС, здесь:
Из диаграммы следует, что с увеличением глубины ООС, вносимый усилителем фазовый сдвиг- уменьшается.
Но поскольку в усилителе глубина ООС растет с увеличением уровня сигнала (компрессор): b =F2(Uвхм) (8) то связь фазового сдвига с изменением уровня входного сигнала при W=const:
В экспандере процесс изменения ООС обратный:
т.е. для малых амплитуд усиления мало, а для больших амплитуд усиление велико.
Кодер на операционном усилителе с амплитудно - фазовой конверсией
Эквивалентная схема кодера (декодера) приведена на рис. 2
Коэффициенты усиления идеального усилителя:
Для кодера выберем:
Z2=R1 Коэффициент передачи кодера:
Ниже приводится цепь с сопротивлением Z2 представлена на рис. 3. Сопротивление R вводится для работы усилителя с малым уровнем сигнала.
Коэффициенты передачи декодера:
Принципиальные схемы кодера и декодера
Коэффициенты передачи для схемы рис.4
Кодер:
Коэффициент передачи для декодера, где: R3=R5; R4=R6; C1=c2
Сопротивление R1 выбирается из max тока через диод Ig=IR1 IR1=Uвх/R1=R1=Uвх/IR1 при Ig=0.1 mA; Rg=26/0.1=260 Om; при Uвх=0.1B; R1=0.1/0.1=1 Kom; Выберем коэффициент в (15) К0=10, тогда R3=R1*K0=1.0*10=10Kom Выберем сопротивление R4=100 ом, от случайных больших воздействий напряжения защищающей диоды VD1 и VD2. Возьмем конденсатор С1 исходя из его реактивного сопротивления на частоте 300 Гц. Xc1=2(R4+Rgmin)=2(100+260)=720 Om
Выберем ближайший номинал конденсатора С1: КМ6 - М750-25-0.68 10%
Таблица 1 Таблица значений коэффициента передачи кодера от амплитуды входного сигнала, вычисленных по программе Koder AFK
Таким образом: R2=R3=R5=10 Kom; R4=R6=100 Om; C1=C2=0.65 мкф; R1=R7=R8=1 Kom; DA1,DA2 - КР140УД14
Рис.5 Схема закрытия речевой информации
В точке а усилителя напряжение приблизительно равно 0, т.к. коэффициент усиления О.У. велико - 105. Для того, чтобы Ua=0 токи через R1 и цепь Rg, C, R приблизительно одинаковы. Входное сопротивление источника сигнала велико и ток в R1 не протекает. IR1=Irg,C,R (20) Напряжение на выходе кодера:
Ток I в формуле (21) при условии (20): I=Uвх/R1 (22) Перепишем выражение (21) с учетом (22)
рис. 7 Принципиальная схема декодера
Для схемы на рис.7 Напряжение на входе, при Ua=0
Решив уравнение (16) относительно I получим зависимость: I=F(Uвх.дек) (25) Выходное напряжение на выходе декодера рис. 7 : Uвых.дек=R1F(Uвх.дек)=R1I (26) Выходным напряжением декодера является напряжение кодера: Uвх.дек= Uвых.дек. Таким образом схема рис. 7 Решает обратную задачу нахождения тока от значения формул (25) и (26). На основании формул (22) и (26) выходное напряжение декодера:
Расчет параметров микрофонного усилителя
Выберем микрофон типа МД-62. Микрофон имеет параметры: Диапазон рабочих частот: 120-10000 Гц Номинальное сопротивление нагрузки: 250 Ом Чувствительность: 88 Дб
Определим напряжение на нагрузке: 88Дб=80Дб+8Дб=6,31*10-3 Мощность в нагрузке:
Определим коэффициент усиления микрофонного усилителя для нормальной работы кодера. Напряжение на входе кодера Uвх=0-1.1 В.
Используем схему с двумя каскадами усиления, построенных на ОУ: К=К1К2=100 × 50=5000 Схема усилителя приведена на рис. 8:
Рис. 8 Принципиальная схема микрофонного усилителя
В данном усилителе применим ОУ типа КР140УД14 (л3) Сопротивление R1 определяется из условия согласования микрофона (номинальное сопротивление нагрузки) R1=250 Ом Сопротивление R2 определяется из коэффициента усиления каскада: R2=K × R1=100 × 250=25 кОм. Сопротивление R3:
Номинальный ток нагрузки КР140УД14 Iн=20 мА; Максимальное входное напряжение микросхемы Uмах=13 В; Сопротивление в цепи нагрузки - R4
Сопротивление R5 при К=50 R5=K × R4=50 × 620=31 кОм Ближайшее сопротивление 30 кОм Сопротивление R6 = 620 Ом. Для декодерного блока рис.7 Микрофонный усилитель будет иметь такую же принципиальную схему, но в цепи обратной связи включают переменное сопротивление. Переменное сопротивление служит для изменения коэффициента усиления микрофонного усилителя декодера, чтобы получить уровень входных сигналов 0.082 В на входе декодера.
Расчет усилителя низкой частоты
Выберем громкоговоритель типа 0.5 ГД-11 с параметрами: (Л2) Полоса рабочих частот: 150 ¸ 7000 Гц; Сопротивление звуковой катушки : 5 Ом; Размеры: 102-50 мм; Масса: 150 гр.
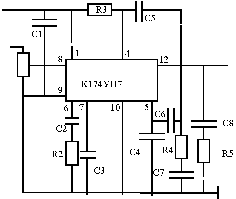
В качестве усилителя НЧ применим микросхему К174УН7 (Л3). Ее параметры: Рвых ³ 4.5 Вт на нагрузке 4 Ом при напряжении питания 15 В. Схема включения микросхемы приведена на рис. 9 . Выходная мощность усилителя регулируется потенциометром R1. Конденсаторы: С1 = 100 пФ; С2 = 500 пФ; С3 = 100 пФ = С5; С4 = 2700 пФ; С6 = 510 пФ; С7 = 0.1 мкф; С8 = 100 пФ.
Сопротивления: R1 = R3 = 100 Ом; R2 = 56 Ом; R4 = 1 Ом; R5 = 4 Ом.
Рис. 9 Усилитель мощности К174УН7 схема электрическая, принципиальная
Список литературы:
Поделитесь этой записью или добавьте в закладки |
Полезные публикации |
В начало